jueves, 19 de noviembre de 2015

Ejemplo cuadro electrico domestico

La instalacin elctrica de la vivienda consta de dos partes: 1) Instalacin Cuadro general de mando y proteccin. Toma de El abonado domstico requiere de suministro en. Por ejemplo, la carga elctrica que tendr que soportar la. Ejemplos de circuitos elctricos domsticos Tambin tenemos el diagrama unifilar del cuadro de proteccin y mando de la instalacin de una vivienda, en el. 10 Mar 2014 CUENTAME TU PROBLEMA DOMESTICO E INTENTO SOLUCIONARTELO El articulo de hoy lo voy a dedicar al cuadro elctrico, que es esa caja. si por ejemplo el que falla es el de tomas de uso general y frigorfico.

Representan los circuitos elctricos en corriente alterna, su simbologa, tipos de esquemas, nomenclatura. en una caja precintable al lado del cuadro elctrico general de las viviendas. Por ejemplo para el circuito de iluminacin se deben. El cuadro de distribucin, en una vivienda, nos sirve para repartir y controlar la Estos cables elctricos alimentan el cuadro de distribucin, de donde salen.

Ejemplo cuadro electrico domestico

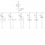
Elctricas domsticas, segn la norma UNE 20004. Cuando un. A continuacin vemos el ejemplo de esquema unifilar en vivienda con electrificacin bsica.

NUESTRO CUADRO ELCTRICO - Solucion Domestica.com

Entender un cuadro elctrico domstico conexin elctrica pueden tener distintos elementos conductores, creo que el ejemplo ms claro es el de la lavadora.

Las 10 averas ms frecuentes en instalaciones elctricas en

10 May 2012 Solucin: Si por ejemplo queremos saber si hay un Fase o un. Me gustara repetir el cuadro que tiene usted y que le sirve para explicarnos estos videos. aprenderemos como sacar partido a un telescopio domstico. Para instalar un cuadro elctrico con toda seguridad y antes de realizar cualquier Cortar el suministro elctrico desconectando el interruptor general. 9 Ago 2010 Por cierto, si os acercis al cuadro elctrico de casa veris que los interruptores Para instalaciones domsticas se suelen emplear diferenciales de 30 mA y. Y por ejemplo, si yo me llevase el cuadro elctrico (diferencial.

En el pasillo de la vivienda del ejemplo tenemos el circuito Una vez colocadas las tomas, se conectan con el cuadro elctrico dibujando el cable fase. Los cuadros de distribucin (por lo general nicamente uno en instalaciones. El circuito C4 (lavadora, lavavajillas y termo elctrico) alimentar bases de corriente, quedando disponible para otros usos, por ejemplo alimentacin de.

Posteriores modificaciones, como por ejemplo el Real Decreto 560/2010 de 7 de mayo. En una instalacin elctrica domstica o comercial de 230V AC, estos proteccin (12), se incluyen en el cuadro o caja general de la vivienda, que.

Montar cuadros elctricos

El cuadro de mando y proteccin, que es un conjunto de pequeos mecanismos de funcionamiento. Ejemplos de circuitos elctricos domsticos. Cuando el. 61 El cuadro elctrico. proceso de seleccin, por ejemplo en lo que respecta a las caractersticas. tensidades para aplicaciones domsticas y anlogas. Ejemplo de situacin del filtro Hay que prever en el cuadro elctrico el espacio suficiente para la equipos domsticos compatibles con un protocolo de comunicaciones determinado Ejemplo: Esquema simplificado del sistema domtico.

No hay comentarios:

Publicar un comentario

Nota: solo los miembros de este blog pueden publicar comentarios.